產品系列
- 32.768KHz
- 石英晶振
- 貼片晶振
- 聲表面濾波器
- 陶瓷晶振
- 陶瓷霧化片
- 陶瓷濾波器
- 微孔霧化片
- CTS晶振
- KDS晶振
- 愛普生晶振
- 西鐵城晶振
- 精工晶體
- 村田晶振
- 京瓷晶振
- DST310S晶振
- 日本大河晶體
- NDK晶振
- 亞陶晶振
- 日本富士晶振
- NAKA晶振
- SMI晶振
- NKG晶振
- NJR晶振
- 臺灣加高諧振器
- 臺灣鴻星晶體
- TXC晶振
- 臺灣希華晶振
- 臺灣泰藝晶體
- NSK晶振
- AKER晶振
- Dynamic迪拉尼晶振
- Q-Tech晶振
- ABRACON晶振
- VECTRON晶振
- JAUCH晶振
- ConnorWinfield晶振
- Rakon晶振
- ECS晶振
- Greenray晶振
- ECLIPTEK晶振
- GOLLEDGE晶振
- STATEK晶振
- Pletronics晶振
- SITIME晶振
- Microcrystal晶振
- RALTRON晶振
- AEK晶振
- AEL晶振
- ILSI晶振
- FOX晶振
- fujicom晶振
- CRYSTEK晶振
- interquip晶振
- Geyer晶振
- quartzcom晶振
- qantek晶振
- EUROQUARTZ晶振
- quarztechnik晶振
- Cardinal晶振
- FRE-TECH晶振
- KVG晶振
- wi2wi晶振
- Transko晶振
- suntsu晶振
- mmdcomp晶振
- MERCURY晶振
- MTRONPTI晶振
- ACT晶振
- MTI晶振
- Lihom晶振
- Rubyquartz晶振
- Oscilent晶振
- SHINSUNG晶振
- ITTI晶振
- PDI晶振
- IQD晶振
- Microchip晶振
- Silicon晶振
- Anderson晶振
- Fortiming晶振
- CORE晶振
- NIPPON晶振
- NIC晶振
- QVS晶振
- Bomar晶振
- Bliley晶振
- GED晶振
- FILTRONETICS晶振
- STD晶振
- Wenzel晶振
- NEL晶振
- EM晶振
- PETERMANN晶振
- FCD-Tech晶振
- HEC晶振
- FMI晶振
- Macrobizes晶振
- AXTAL晶振
- SUNNY晶振
- ARGO晶振
- Renesas瑞薩晶振
- SKYWORKS晶振
晶振廠家
進口晶振
臺產晶振
歐美晶振
Tel:0755-27838351
Add:廣東深圳市寶安區67區留仙一路甲岸科技園3棟5樓
Email:konuaer@163.com
QQ:632862232
晶振官方博客
更多>>.jpg)

瑞薩電子晶振,XLL525212.500000I,6G低成本晶振,瑞薩電子晶振,XL進口晶振,XLL525212.500000I晶振,貼片石英晶振,5032mm晶振,LVDS差分晶振,頻率212.5MHz,電壓2.5V,工作溫度-40~85°C,頻率穩定性50ppm,6G低成本晶振,抗沖擊晶振,工業設備應用晶振,便攜式電子設備晶振,可穿戴設備晶振,監控攝像機晶振.
瑞薩電子晶振,XLL525212.500000I,6G低成本晶振特點:
•輸出類型:LVDS, LVPECL, LVCMOS
•相位抖動(12kHz至20MHz): 750fs至890fs典型
•供電電壓:2.5V或3.3V
•包裝選項:
•3.2 × 2.5 × 1.0 mm (VCXO不可用)
•5.0 × 3.2 × 1.2毫米
•7.0 × 5.0 × 1.3 mm
•工作溫度:-20℃~ +70℃
•頻率穩定性選項:±20,±25,±50,或±100 ppm(僅XO)
•±50ppm APR(僅限VCXO)
•工作溫度:-40°C至+85°C
•頻率穩定性選項:±25,±50,或±100 ppm(僅XO)
•±50ppm APR(僅限VCXO)
•工作溫度:-40°C至+105°C(僅XO)
•頻率穩定性選項:±50或±100ppm
•kV 85ppm/伏,典型范圍從0.5VDC到VDD(僅限VCXO)
•Vc范圍線性度優于±10%
.gif)
瑞薩電子晶振,XLL525212.500000I,6G低成本晶振參數表
| 項目 | 符號 | 規格說明 | 條件 |
| 額定頻率 | f_nom | 212.5MHz | 請聯系我們以便獲取其它可用頻率的相關信息 |
| 電源電壓 | Vcc | 2.5V±0.3V | |
| 儲存溫度 | T_stg | -55℃~+125℃ | 裸存 |
| 工作溫度 | T_use | -40℃~ +85℃ | |
| 頻率公差(標準) | f_tol | ±50 ppm | +25℃,超出標準的規格說明請聯系我們以便獲取相關信息 |
| 供電電流 | IDD | 34mA Max | LVDS 40+MHz to 220MHz |
| 差分輸出電壓 | VOD | 0.4V Max | VDD = 3.3V ±5%. |
| 對稱性 | SYM | 47%~53% | At outputs crossing point |
| 輸出負載 | L_LVDS | 100Ω | LVDS Differential. |
| 輸入電壓 | VIH | 70%VDD Min | LVDS |
| VIL | 30%VDD Max | ||
| 上升下降時間 | tr/tf | 400ps Max | LVDS 20% to 80% Vpp |
| 起始時間 | t str | 10ms Max | VDD達到最小指定水平后輸出有效時間 |
| 周期抖動 | JPER |
4ps Typ |
LVDS |
| 相位抖動 | tpj | 1040 fs Typ | 12KHZ~20MHz |
| 老化 | f_aging | ±3ppm/year | +25℃,第一年 |
.gif)
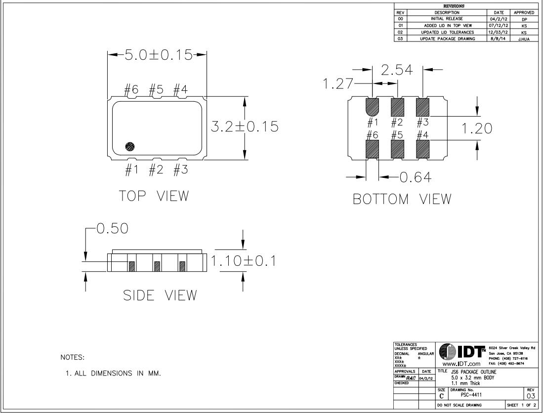
瑞薩電子晶振,XLL525212.500000I,6G低成本晶振尺寸圖

| 原廠編碼 | 品牌 | 型號 | 頻率 | 輸出 | 電壓 | 頻率穩定性 |
| XLL525212.500000I | Renesas Electronics America Inc | XL | 212.5 MHz | LVDS | 2.5V | ±50ppm |
| XLH335050.000000K | Renesas Electronics America Inc | XL | 50 MHz | HCMOS | 3.3V | ±50ppm |
| XLL330120.000000X | Renesas Electronics America Inc | XL | 120 MHz | LVDS | 3.3V | ±100ppm |
| XLH335001.024000I | Renesas Electronics America Inc | XL | 1.024 MHz | HCMOS | 3.3V | ±50ppm |
| XLL325040.000000I | Renesas Electronics America Inc | XL | 40 MHz | LVDS | 2.5V | ±50ppm |
| XLL530108.000000I | Renesas Electronics America Inc | XL | 108 MHz | LVDS | 3.3V | ±100ppm |
| XLL338C50.000000X | Renesas Electronics America Inc | XL | 1.25 GHz | LVDS | 3.3V | ±100ppm |
| XLH335016.625000I | Renesas Electronics America Inc | XL | 16.625 MHz | HCMOS | 3.3V | ±50ppm |
| XLH736040.000000I | Renesas Electronics America Inc | XL | 40 MHz | HCMOS | 3.3V | ±25ppm |
| XLH330012.000000I | Renesas Electronics America Inc | XL | 12 MHz | HCMOS | 3.3V | ±100ppm |
| XLL335125.000000I | Renesas Electronics America Inc | XL | 125 MHz | LVDS | 3.3V | ±50ppm |
| XLH335001.000000X | Renesas Electronics America Inc | XL | 1 MHz | HCMOS | 3.3V | ±50ppm |
| XLH330016.000000X | Renesas Electronics America Inc | XL | 16 MHz | HCMOS | 3.3V | ±100ppm |
| XLH325020.000000X | Renesas Electronics America Inc | XL | 20 MHz | HCMOS | 2.5V | ±50ppm |
| XLH526020.000000X | Renesas Electronics America Inc | XL | 20 MHz | HCMOS | 2.5V | ±25ppm |
| XLH725027.000000I | Renesas Electronics America Inc | XL | 27 MHz | HCMOS | 2.5V | ±50ppm |
| XLH336050.000000X | Renesas Electronics America Inc | XL | 50 MHz | HCMOS | 3.3V | ±25ppm |
| XLH336012.000000X | Renesas Electronics America Inc | XL | 12 MHz | HCMOS | 3.3V | ±25ppm |
| XLH335050.000JX4I | Renesas Electronics America Inc | XL | 50 MHz | LVCMOS | 3.3V | ±50ppm |
| XLH335025.000JX4I | Renesas Electronics America Inc | XL | 25 MHz | LVCMOS | 3.3V | ±50ppm |
| XLH735024.576JU4X | Renesas Electronics America Inc | XL | 24.576 MHz | LVCMOS | 3.3V | ±50ppm |
| XLH735012.000JU4X | Renesas Electronics America Inc | XL | 12 MHz | LVCMOS | 3.3V | ±50ppm |
| XLH336024.000000I | Renesas Electronics America Inc | XL | 24 MHz | HCMOS | 3.3V | ±25ppm |
| XLH526040.000000I | Renesas Electronics America Inc | XL | 40 MHz | HCMOS | 2.5V | ±25ppm |
| XLH336020.000000I | Renesas Electronics America Inc | XL | 20 MHz | HCMOS | 3.3V | ±25ppm |
| XLH526012.000000I | Renesas Electronics America Inc | XL | 12 MHz | HCMOS | 2.5V | ±25ppm |
| XLH336050.000000I | Renesas Electronics America Inc | XL | 50 MHz | HCMOS | 3.3V | ±25ppm |
| XLH336016.000000I | Renesas Electronics America Inc | XL | 16 MHz | HCMOS | 3.3V | ±25ppm |
| XLH336012.000000I | Renesas Electronics America Inc | XL | 12 MHz | HCMOS | 3.3V | ±25ppm |
| XLH536016.000JS4I | Renesas Electronics America Inc | XL | 16 MHz | LVCMOS | 3.3V | ±25ppm |
| XLH736025.000JU4I | Renesas Electronics America Inc | XL | 25 MHz | LVCMOS | 3.3V | ±25ppm |
| XLH736012.000JU4I | Renesas Electronics America Inc | XL | 12 MHz | LVCMOS | 3.3V | ±25ppm |
| XLH526030.000000X | Renesas Electronics America Inc | XL | 30 MHz | HCMOS | 2.5V | ±25ppm |
| XLH526027.000000X | Renesas Electronics America Inc | XL | 27 MHz | HCMOS | 2.5V | ±25ppm |
| XLH526026.000000X | Renesas Electronics America Inc | XL | 26 MHz | HCMOS | 2.5V | ±25ppm |
| XLH520012.000000X | Renesas Electronics America Inc | XL | 12 MHz | HCMOS | 2.5V | ±100ppm |
| XLH720026.000000X | Renesas Electronics America Inc | XL | 26 MHz | HCMOS | 2.5V | ±100ppm |
| XLH520026.000000X | Renesas Electronics America Inc | XL | 26 MHz | HCMOS | 2.5V | ±100ppm |
| XLH320027.000000X | Renesas Electronics America Inc | XL | 27 MHz | HCMOS | 2.5V | ±100ppm |
| XLH520030.000000X | Renesas Electronics America Inc | XL | 30 MHz | HCMOS | 2.5V | ±100ppm |
| XLH720016.000000X | Renesas Electronics America Inc | XL | 16 MHz | HCMOS | 2.5V | ±100ppm |
| XLH520025.000000X | Renesas Electronics America Inc | XL | 25 MHz | HCMOS | 2.5V | ±100ppm |
| XLH320030.000000X | Renesas Electronics America Inc | XL | 30 MHz | HCMOS | 2.5V | ±100ppm |
| XLH320033.333000X | Renesas Electronics America Inc | XL | 33.333 MHz | HCMOS | 2.5V | ±100ppm |
| XLH520050.000000X | Renesas Electronics America Inc | XL | 50 MHz | HCMOS | 2.5V | ±100ppm |
| XLH725020.000000X | Renesas Electronics America Inc | XL | 20 MHz | HCMOS | 2.5V | ±50ppm |
| XLH526024.000000X | Renesas Electronics America Inc | XL | 24 MHz | HCMOS | 2.5V | ±25ppm |
| XLH520016.000000X | Renesas Electronics America Inc | XL | 16 MHz | HCMOS | 2.5V | ±100ppm |
| XLH525024.000000X | Renesas Electronics America Inc | XL | 24 MHz | HCMOS | 2.5V | ±50ppm |
| XLH330048.000000X | Renesas Electronics America Inc | XL | 48 MHz | HCMOS | 3.3V | ±100ppm |
| XLH320012.000000X | Renesas Electronics America Inc | XL | 12 MHz | HCMOS | 2.5V | ±100ppm |
| XLH525030.000000X | Renesas Electronics America Inc | XL | 30 MHz | HCMOS | 2.5V | ±50ppm |
| XLH520048.000000X | Renesas Electronics America Inc | XL | 48 MHz | HCMOS | 2.5V | ±100ppm |
| XLH520040.000000X | Renesas Electronics America Inc | XL | 40 MHz | HCMOS | 2.5V | ±100ppm |
| XLH720040.000000X | Renesas Electronics America Inc | XL | 40 MHz | HCMOS | 2.5V | ±100ppm |
| XLH725012.000000X | Renesas Electronics America Inc | XL | 12 MHz | HCMOS | 2.5V | ±50ppm |
| XLH725024.000000X | Renesas Electronics America Inc | XL | 24 MHz | HCMOS | 2.5V | ±50ppm |
| XLH720050.000000X | Renesas Electronics America Inc | XL | 50 MHz | HCMOS | 2.5V | ±100ppm |
| XLH525012.000000X | Renesas Electronics America Inc | XL | 12 MHz | HCMOS | 2.5V | ±50ppm |
| XLH325024.000000X | Renesas Electronics America Inc | XL | 24 MHz | HCMOS | 2.5V | ±50ppm |
| XLH526050.000000X | Renesas Electronics America Inc | XL | 50 MHz | HCMOS | 2.5V | ±25ppm |
| XLH525010.000000X | Renesas Electronics America Inc | XL | 10 MHz | HCMOS | 2.5V | ±50ppm |
| XLH720030.000000X | Renesas Electronics America Inc | XL | 30 MHz | HCMOS | 2.5V | ±100ppm |
| XLH320026.000000X | Renesas Electronics America Inc | XL | 26 MHz | HCMOS | 2.5V | ±100ppm |
| XLH525001.000000X | Renesas Electronics America Inc | XL | 1 MHz | HCMOS | 2.5V | ±50ppm |
| XLH526016.000000X | Renesas Electronics America Inc | XL | 16 MHz | HCMOS | 2.5V | ±25ppm |
| XLH526040.000000X | Renesas Electronics America Inc | XL | 40 MHz | HCMOS | 2.5V | ±25ppm |
| XLH335016.000000X | Renesas Electronics America Inc | XL | 16 MHz | HCMOS | 3.3V | ±50ppm |
| XLH320016.000000X | Renesas Electronics America Inc | XL | 16 MHz | HCMOS | 2.5V | ±100ppm |
| XLH330030.000000X | Renesas Electronics America Inc | XL | 30 MHz | HCMOS | 3.3V | ±100ppm |
| XLH325012.000000X | Renesas Electronics America Inc | XL | 12 MHz | HCMOS | 2.5V | ±50ppm |
| XLH526033.333000X | Renesas Electronics America Inc | XL | 33.333 MHz | HCMOS | 2.5V | ±25ppm |
| XLH720048.000000X | Renesas Electronics America Inc | XL | 48 MHz | HCMOS | 2.5V | ±100ppm |
| XLH320040.000000X | Renesas Electronics America Inc | XL | 40 MHz | HCMOS | 2.5V | ±100ppm |
| XLH325026.000000X | Renesas Electronics America Inc | XL | 26 MHz | HCMOS | 2.5V | ±50ppm |
| XLH725040.000000X | Renesas Electronics America Inc | XL | 40 MHz | HCMOS | 2.5V | ±50ppm |
| XLH520027.000000X | Renesas Electronics America Inc | XL | 27 MHz | HCMOS | 2.5V | ±100ppm |
| XLH520024.000000X | Renesas Electronics America Inc | XL | 24 MHz | HCMOS | 2.5V | ±100ppm |
| XLH320050.000000X | Renesas Electronics America Inc | XL | 50 MHz | HCMOS | 2.5V | ±100ppm |
| XLH325048.000000X | Renesas Electronics America Inc | XL | 48 MHz | HCMOS | 2.5V | ±50ppm |
| XLH525020.000000X | Renesas Electronics America Inc | XL | 20 MHz | HCMOS | 2.5V | ±50ppm |
| XLH320020.000000X | Renesas Electronics America Inc | XL | 20 MHz | HCMOS | 2.5V | ±100ppm |
| XLH725027.000000X | Renesas Electronics America Inc | XL | 27 MHz | HCMOS | 2.5V | ±50ppm |
| XLH325016.000000X | Renesas Electronics America Inc | XL | 16 MHz | HCMOS | 2.5V | ±50ppm |
| XLH320024.000000X | Renesas Electronics America Inc | XL | 24 MHz | HCMOS | 2.5V | ±100ppm |
| XLH525040.000000X | Renesas Electronics America Inc | XL | 40 MHz | HCMOS | 2.5V | ±50ppm |
| XLH325027.000000X | Renesas Electronics America Inc | XL | 27 MHz | HCMOS | 2.5V | ±50ppm |
| XLH520020.000000X | Renesas Electronics America Inc | XL | 20 MHz | HCMOS | 2.5V | ±100ppm |
| XLH525027.000000X | Renesas Electronics America Inc | XL | 27 MHz | HCMOS | 2.5V | ±50ppm |
| XLH520033.333000X | Renesas Electronics America Inc | XL | 33.333 MHz | HCMOS | 2.5V | ±100ppm |
| XLH330026.000000X | Renesas Electronics America Inc | XL | 26 MHz | HCMOS | 3.3V | ±100ppm |
| XLH720027.000000X | Renesas Electronics America Inc | XL | 27 MHz | HCMOS | 2.5V | ±100ppm |
| XLH526012.000000X | Renesas Electronics America Inc | XL | 12 MHz | HCMOS | 2.5V | ±25ppm |
| XLH725016.000000X | Renesas Electronics America Inc | XL | 16 MHz | HCMOS | 2.5V | ±50ppm |
| XLH525033.333000X | Renesas Electronics America Inc | XL | 33.333 MHz | HCMOS | 2.5V | ±50ppm |
| XLH525016.000000X | Renesas Electronics America Inc | XL | 16 MHz | HCMOS | 2.5V | ±50ppm |
| XLH330012.000000X | Renesas Electronics America Inc | XL | 12 MHz | HCMOS | 3.3V | ±100ppm |
| XLH526010.000000X | Renesas Electronics America Inc | XL | 10 MHz | HCMOS | 2.5V | ±25ppm |
| XLH526001.000000X | Renesas Electronics America Inc | XL | 1 MHz | HCMOS | 2.5V | ±25ppm |
| XLH330033.333000X | Renesas Electronics America Inc | XL | 33.333 MHz | HCMOS | 3.3V | ±100ppm |
| XLH330027.000000X | Renesas Electronics America Inc | XL | 27 MHz | HCMOS | 3.3V | ±100ppm |
| XLH325010.000000X | Renesas Electronics America Inc | XL | 10 MHz | HCMOS | 2.5V | ±50ppm |
| XLH330020.000000X | Renesas Electronics America Inc | XL | 20 MHz | HCMOS | 3.3V | ±100ppm |
| XLH725010.000000X | Renesas Electronics America Inc | XL | 10 MHz | HCMOS | 2.5V | ±50ppm |
| XLH725001.000000X | Renesas Electronics America Inc | XL | 1 MHz | HCMOS | 2.5V | ±50ppm |
| XLH525026.000000X | Renesas Electronics America Inc | XL | 26 MHz | HCMOS | 2.5V | ±50ppm |
| XLH320048.000000X | Renesas Electronics America Inc | XL | 48 MHz | HCMOS | 2.5V | ±100ppm |
| XLH325040.000000X | Renesas Electronics America Inc | XL | 40 MHz | HCMOS | 2.5V | ±50ppm |
| XLH525048.000000X | Renesas Electronics America Inc | XL | 48 MHz | HCMOS | 2.5V | ±50ppm |
| XLH530030.000000X | Renesas Electronics America Inc | XL | 30 MHz | HCMOS | 3.3V | ±100ppm |
| XLH330040.000000X | Renesas Electronics America Inc | XL | 40 MHz | HCMOS | 3.3V | ±100ppm |
| XLH330010.000000X | Renesas Electronics America Inc | XL | 10 MHz | HCMOS | 3.3V | ±100ppm |
| XLH325001.000000X | Renesas Electronics America Inc | XL | 1 MHz | HCMOS | 2.5V | ±50ppm |
| XLH720001.000000X | Renesas Electronics America Inc | XL | 1 MHz | HCMOS | 2.5V | ±100ppm |
| XLH520001.000000X | Renesas Electronics America Inc | XL | 1 MHz | HCMOS | 2.5V | ±100ppm |
| XLH320010.000000X | Renesas Electronics America Inc | XL | 10 MHz | HCMOS | 2.5V | ±100ppm |
| XLH530033.333000X | Renesas Electronics America Inc | XL | 33.333 MHz | HCMOS | 3.3V | ±100ppm |
| XLH726033.000000I | Renesas Electronics America Inc | XL | 33 MHz | HCMOS | 2.5V | ±25ppm |
| XLH726060.000000I | Renesas Electronics America Inc | XL | 60 MHz | HCMOS | 2.5V | ±25ppm |
| XLH336022.118400I | Renesas Electronics America Inc | XL | 22.1184 MHz | HCMOS | 3.3V | ±25ppm |
| XLH726026.214400I | Renesas Electronics America Inc | XL | 26.2144 MHz | HCMOS | 2.5V | ±25ppm |
| XLH736038.000000I | Renesas Electronics America Inc | XL | 38 MHz | HCMOS | 3.3V | ±25ppm |
| XLH536148.511000X | Renesas Electronics America Inc | XL | 148.511 MHz | HCMOS | 3.3V | ±25ppm |
| XLH736026.214400I | Renesas Electronics America Inc | XL | 26.2144 MHz | HCMOS | 3.3V | ±25ppm |
| XLH736028.000000I | Renesas Electronics America Inc | XL | 28 MHz | HCMOS | 3.3V | ±25ppm |
| XLH736033.554400I | Renesas Electronics America Inc | XL | 33.5544 MHz | HCMOS | 3.3V | ±25ppm |
| XLH326002.000000I | Renesas Electronics America Inc | XL | 2 MHz | HCMOS | 2.5V | ±25ppm |
| XLH536121.500000I | Renesas Electronics America Inc | XL | 121.5 MHz | HCMOS | 3.3V | ±25ppm |
| XLH726026.563828I | Renesas Electronics America Inc | XL | 26.563828 MHz | HCMOS | 2.5V | ±25ppm |
| XLH736034.368000I | Renesas Electronics America Inc | XL | 34.368 MHz | HCMOS | 3.3V | ±25ppm |
| XLH536110.000000I | Renesas Electronics America Inc | XL | 110 MHz | HCMOS | 3.3V | ±25ppm |
| XLH736039.950000I | Renesas Electronics America Inc | XL | 39.95 MHz | HCMOS | 3.3V | ±25ppm |
| XLH330148.500000I | Renesas Electronics America Inc | XL | 148.5 MHz | HCMOS | 3.3V | ±100ppm |
| XLH736027.540000I | Renesas Electronics America Inc | XL | 27.54 MHz | HCMOS | 3.3V | ±25ppm |
| XLH726026.561172I | Renesas Electronics America Inc | XL | 26.561172 MHz | HCMOS | 2.5V | ±25ppm |
| XLH736028.450560I | Renesas Electronics America Inc | XL | 28.45056 MHz | HCMOS | 3.3V | ±25ppm |
| XLH336024.545455I | Renesas Electronics America Inc | XL | 24.545455 MHz | HCMOS | 3.3V | ±25ppm |
| XLH738092.500000X | Renesas Electronics America Inc | XL | 92.5 MHz | HCMOS | 3.3V | ±20ppm |
| XLH736048.839200I | Renesas Electronics America Inc | XL | 48.8392 MHz | HCMOS | 3.3V | ±25ppm |
| XLH736090.136800I | Renesas Electronics America Inc | XL | 90.1368 MHz | HCMOS | 3.3V | ±25ppm |
| XLH736028.375000I | Renesas Electronics America Inc | XL | 28.375 MHz | HCMOS | 3.3V | ±25ppm |
| XLH328019.200000X | Renesas Electronics America Inc | XL | 19.2 MHz | HCMOS | 2.5V | ±20ppm |
| XLH528040.000000X | Renesas Electronics America Inc | XL | 40 MHz | HCMOS | 2.5V | ±20ppm |
| XLH526080.000000I | Renesas Electronics America Inc | XL | 80 MHz | HCMOS | 2.5V | ±25ppm |
| XLH738078.643200X | Renesas Electronics America Inc | XL | 78.6432 MHz | HCMOS | 3.3V | ±20ppm |
| XLH726096.000000I | Renesas Electronics America Inc | XL | 96 MHz | HCMOS | 2.5V | ±25ppm |
| XLH728080.000000X | Renesas Electronics America Inc | XL | 80 MHz | HCMOS | 2.5V | ±20ppm |
| XLH738000.921600X | Renesas Electronics America Inc | XL | 921.6 kHz | HCMOS | 3.3V | ±20ppm |
| XLH336029.500000I | Renesas Electronics America Inc | XL | 29.5 MHz | HCMOS | 3.3V | ±25ppm |
| XLH735015.360000I | Renesas Electronics America Inc | XL | 15.36 MHz | HCMOS | 3.3V | ±50ppm |
| XLH736045.000000X | Renesas Electronics America Inc | XL | 45 MHz | HCMOS | 3.3V | ±25ppm |
| XLH336013.330000I | Renesas Electronics America Inc | XL | 13.33 MHz | LVCMOS | 3.3V | ±25ppm |
| XLH336037.125000I | Renesas Electronics America Inc | XL | 37.125 MHz | LVCMOS | 3.3V | ±25ppm |
| XLH336002.048000I | Renesas Electronics America Inc | XL | 2.048 MHz | LVCMOS | 3.3V | ±25ppm |
| XLH336032.051655I | Renesas Electronics America Inc | XL | 32.051655 MHz | LVCMOS | 3.3V | ±25ppm |
| XLH328033.333000X | Renesas Electronics America Inc | XL | 33.333 MHz | LVCMOS | 2.5V | ±20ppm |
| XLH336033.330000I | Renesas Electronics America Inc | XL | 33.33 MHz | LVCMOS | 3.3V | ±25ppm |
| XLH336031.948512I | Renesas Electronics America Inc | XL | 31.948512 MHz | LVCMOS | 3.3V | ±25ppm |
| XLH336019.000000I | Renesas Electronics America Inc | XL | 19 MHz | LVCMOS | 3.3V | ±25ppm |
| XLH730030.875520I | Renesas Electronics America Inc | XL | 30.87552 MHz | LVCMOS | 3.3V | ±100ppm |
| XLH535003.686000I | Renesas Electronics America Inc | XL | 3.686 MHz | LVCMOS | 3.3V | ±50ppm |
| XLH736078.125000X | Renesas Electronics America Inc | XL | 78.125 MHz | LVCMOS | 3.3V | ±25ppm |
| XLH736025.750000X | Renesas Electronics America Inc | XL | 25.75 MHz | LVCMOS | 3.3V | ±25ppm |
| XLH535013.330000I | Renesas Electronics America Inc | XL | 13.33 MHz | LVCMOS | 3.3V | ±50ppm |
| XLH338040.953873X | Renesas Electronics America Inc | XL | 40.953873 MHz | LVCMOS | 3.3V | ±20ppm |
| XLH300000.000000K | Renesas Electronics America Inc | XL | - | HCMOS | - | ±100ppm |
| XLH335006.005284K | Renesas Electronics America Inc | XL | 6.005284 MHz | HCMOS | 3.3V | ±50ppm |
| XLH528031.250000X | Renesas Electronics America Inc | XL | 31.25 MHz | LVCMOS | 2.5V | ±20ppm |
| XLH526031.250000I | Renesas Electronics America Inc | XL | 31.25 MHz | LVCMOS | 2.5V | ±25ppm |


.gif)
1.技術支持 2.客服咨詢
全方位技術指導,專業的技術支持讓您感受到 專業的銷售團隊,耐心為您解答任何疑問,讓您的
前所未有的后顧無憂. 消費得到保障.
3.質量保證,誠信為上 4.提升業績,降低成本
我司以“以科技為動力,以質量求生存”為理念. 為您的產品量身訂制,免費取樣,
為您做到低成本,高效率.

全方位技術指導,專業的技術支持讓您感受到 專業的銷售團隊,耐心為您解答任何疑問,讓您的
前所未有的后顧無憂. 消費得到保障.
3.質量保證,誠信為上 4.提升業績,降低成本
我司以“以科技為動力,以質量求生存”為理念. 為您的產品量身訂制,免費取樣,
為您做到低成本,高效率.

| 深圳市康華爾電子有限公司 |
| 電 話: +86-755-27838351 |
| 手 機:13823300879 |
| 傳 真: +86-755-27883106 |
| Q Q: 632862232 |
| MSN: konuaer@163.com |
| E-mail:konuaer@163.com |
| 網 址:http://www.wftv100.com |
|
地 址:廣東深圳市寶安寶安大道東95號浙商銀行大廈1905 |





銷售代表
售后服務