產品系列
- 32.768KHz
- 石英晶振
- 貼片晶振
- 聲表面濾波器
- 陶瓷晶振
- 陶瓷霧化片
- 陶瓷濾波器
- 微孔霧化片
- CTS晶振
- KDS晶振
- 愛普生晶振
- 西鐵城晶振
- 精工晶體
- 村田晶振
- 京瓷晶振
- DST310S晶振
- 日本大河晶體
- NDK晶振
- 亞陶晶振
- 日本富士晶振
- NAKA晶振
- SMI晶振
- NKG晶振
- NJR晶振
- 臺灣加高諧振器
- 臺灣鴻星晶體
- TXC晶振
- 臺灣希華晶振
- 臺灣泰藝晶體
- NSK晶振
- AKER晶振
- Dynamic迪拉尼晶振
- Q-Tech晶振
- ABRACON晶振
- VECTRON晶振
- JAUCH晶振
- ConnorWinfield晶振
- Rakon晶振
- ECS晶振
- Greenray晶振
- ECLIPTEK晶振
- GOLLEDGE晶振
- STATEK晶振
- Pletronics晶振
- SITIME晶振
- Microcrystal晶振
- RALTRON晶振
- AEK晶振
- AEL晶振
- ILSI晶振
- FOX晶振
- fujicom晶振
- CRYSTEK晶振
- interquip晶振
- Geyer晶振
- quartzcom晶振
- qantek晶振
- EUROQUARTZ晶振
- quarztechnik晶振
- Cardinal晶振
- FRE-TECH晶振
- KVG晶振
- wi2wi晶振
- Transko晶振
- suntsu晶振
- mmdcomp晶振
- MERCURY晶振
- MTRONPTI晶振
- ACT晶振
- MTI晶振
- Lihom晶振
- Rubyquartz晶振
- Oscilent晶振
- SHINSUNG晶振
- ITTI晶振
- PDI晶振
- IQD晶振
- Microchip晶振
- Silicon晶振
- Anderson晶振
- Fortiming晶振
- CORE晶振
- NIPPON晶振
- NIC晶振
- QVS晶振
- Bomar晶振
- Bliley晶振
- GED晶振
- FILTRONETICS晶振
- STD晶振
- Wenzel晶振
- NEL晶振
- EM晶振
- PETERMANN晶振
- FCD-Tech晶振
- HEC晶振
- FMI晶振
- Macrobizes晶振
- AXTAL晶振
- SUNNY晶振
- ARGO晶振
- Renesas瑞薩晶振
- SKYWORKS晶振
晶振廠家
進口晶振
臺產晶振
歐美晶振
Tel:0755-27838351
Add:廣東深圳市寶安區67區留仙一路甲岸科技園3棟5樓
Email:konuaer@163.com
QQ:632862232
晶振官方博客
更多>>.jpg)
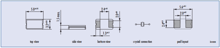
JAUCH晶振,JXG53P2晶振,石英晶體諧振器.5032mm體積貼片晶振適用于汽車電子領域的表面貼片型石英晶振,本產品已被確定的高信賴性最適合用于汽車電子部件,晶體在極端嚴酷的環境條件下也能發揮穩定的起振特性,晶振本身具有耐熱,耐振,耐沖擊等優良的耐環境特性,滿足無鉛焊接的高溫回流溫度曲線要求,符合AEC-Q200標準.
石英晶振高精度晶片的拋光技術:貼片晶振是目前晶片研磨技術中表面處理技術的最高技術,最終使無源5032晶振晶片表面更光潔,平行度及平面度更好,降低諧振電阻,提高Q值.從而達到一般研磨所達不到的產品性能,使石英晶振的等效電阻等更接近理論值,使晶振可在更低功耗下工作.使用先進的牛頓環及單色光的方法去檢測晶片表面的狀態.


作為一家全球活躍的進口晶振公司,我們所有的業務關系都是建立在整個組織的企業社會責任意識的基礎上的.Jauch進口晶振每天都致力于遵循最高的公司治理標準,向我們的員工以及我們的客戶、供應商以及參與我們企業成功的所有人.我們所有的活動都是按照社會標準和現行立法進行的.這一承諾適用于整個JAUCH公司:JAUCH Quartz GmbH德國,子公司JAUCH Quartz France SAS,JAUCH Quartz UK ltd .,JAUCH Quartz America,inc .和所有現有的業務關系.
.gif)
.gif)
| JAUCH晶振 | 單位 | JXG53P2晶振 | 石英晶振基本條件 |
| 標準頻率 | f_nom | 8~60MHz | 標準頻率 |
| 儲存溫度 | T_stg | -40°C~+125°C | 裸存 |
| 工作溫度 | T_use |
-20℃~+70℃ -40℃~+85℃ -40℃~+105℃ -40℃~+125℃ |
標準溫度 |
| 激勵功率 | DL | 1.0μW Max. | 推薦:100μW ~ 300μW |
| 頻率公差 | f_— l |
±30ppm ±50ppm |
+25°C 對于超出標準的規格說明, 請聯系我們以便獲取相關的信息, http://www.wftv100.com/ |
| 頻率溫度特征 | f_tem | ±50× 10-6 /-30°C~+85°C | 超出標準的規格請聯系我們. |
| 負載電容 | C | 10pF~30pF | 不同負載要求,請聯系我們. |
| 串聯電阻(ESR) | R1 | 如下表所示 | -10°C— +60°C, DL = 100μW |
| 頻率老化 | f_age | ±5 × 10-6 / year Max. | +25°C,第一年 |
.gif)


陶瓷封裝產品
在一個不同擴張系數電路板(環氧玻璃)上焊接壓電陶瓷諧振器產品時,在溫度長時間重復變化時可能導致端子焊接部分發生斷裂,請事先檢查焊接特性.
柱面式產品
產品的玻璃部分直接彎曲引腳或用力拉伸引腳會導致在引腳根部發生密封玻璃分裂(開裂),也可能導致氣密性和產品特性受到破壞.當壓電石英晶體產品的引腳需彎曲成下圖所示形狀時,應在這種場景下留出0.5mm的引腳并將其托住,以免發生分裂.當該引腳需修復時,請勿拉伸,托住彎曲部分進行修正.在該密封部分上施加一定壓力,會導致氣密性受到損壞.所以在此處請不要施加壓力.另外,為避負機器共振造成引腳疲勞切斷,建議用粘著劑將產品固在定電路板上.
化學試劑/pH值環境
請勿在PH值范圍可能導致腐蝕或溶解歐美晶振或包裝材料的環境下使用或儲藏這些產品.
粘合劑
請勿使用可能導致5032晶振所用的封裝材料,終端,組件,玻璃材料以及氣相沉積材料等受到腐蝕的膠粘劑.(比如,氯基膠粘劑可能腐蝕一個晶體單元的金屬“蓋”,從而破壞密封質量,降低性能.)
鹵化合物
請勿在鹵素氣體環境下使用智能家居晶振.即使少量的鹵素氣體,比如在空氣中的氯氣內或封裝
嚴格遵守國家職業安全健康法律、法規,培養員工的安全意識和能力,持續改進職業安全健康管理績效,提高生產效率,預先采取安全措施,消除或降低危險,優先選用安全系數高的材料、設備及低功耗晶振生產工藝,提高事故預防水平,創造良好的工作環境,保障員工的身心健康. 地域社會環境保全活動及生物多樣性保全活動的參加,環境搭配等的信息積極的公開的事,與社會的交流的知識進一步加深協調進一步的協調.這個環境方針是根據文件等的全體職員以及共同工作的人們.按照這個環境方針,設定環境目的和目標,確實是落實,對其進行重新評估,努力持續改善.
JAUCH晶振有限公司.進行晶振廠家全球環境保全措施作為全球業務支持一個可持續發展的社會發展.
1.努力保護全球環境的環保意識進行環保生產和提供產品以及服務給消費者.
2.遵守環境法律、法規、條例、規則、協議、和其他需求,努力降低環境影響,防止污染.
3.減少能源消耗,開展資源節約、資源回收和適當的化學管理工廠和辦公室,導致全球變暖的預防和循環型社會的建立.
JAUCH晶振本于"善盡企業責任,降低環境沖擊,提升員工健康"的理念,執行各項環境及職業安全衛生管理工作;落實公司環安衛政策要求使環境暨安全衛生管理成效日益顯著,不僅符合國內環保、勞安法令要求,同時也能達到國際環保、安全衛生標準.2003年通過ISO14001環境管理系統驗證,秉持"污染預防,持續改善"之原則.

.gif)
1.技術支持 2.客服咨詢
全方位技術指導,專業的技術支持讓您感受到 專業的銷售團隊,耐心為您解答任何疑問,讓您的
前所未有的后顧無憂. 消費得到保障.
3.質量保證,誠信為上 4.提升業績,降低成本
我司以“以科技為動力,以質量求生存”為理念. 為您的產品量身訂制,免費取樣,
為您做到低成本,高效率.

全方位技術指導,專業的技術支持讓您感受到 專業的銷售團隊,耐心為您解答任何疑問,讓您的
前所未有的后顧無憂. 消費得到保障.
3.質量保證,誠信為上 4.提升業績,降低成本
我司以“以科技為動力,以質量求生存”為理念. 為您的產品量身訂制,免費取樣,
為您做到低成本,高效率.

| 深圳市康華爾電子有限公司 |
| 電 話: +86-755-27838351 |
| 手 機:13823300879 |
| 傳 真: +86-755-27883106 |
| Q Q: 632862232 |
| MSN: konuaer@163.com |
| E-mail:konuaer@163.com |
| 網 址:http://www.wftv100.com |
| 地 址:廣東深圳市寶安寶安大道東95號浙商銀行大廈1905 |






銷售代表
售后服務